图知网
搜索
首页
热门推荐
图片分类
谭维维示范女绅士穿搭:简约白衬衫配以曳地长裤,背带点缀,飒气有型.
下载原图
相关图片
pinko星光#@谭维维身着pinko ss24西装率意亮相,独特印花绽放春日
谭维维 这组照片很朦胧美了,夜光白裙,迷离梦幻,你觉得如何
谭维维关爱女性健康成爱心大使 荣登慈善名人榜
谭维维金砖晚会压轴演唱 一身红霸气十足
谭维维金鸡舞台献唱霸气十足穿金披风水波流线裙怎么样都美
pinko星光#@谭维维身着pinko ss24西装率意亮相,独特印花绽放春日
为你推荐
好久不见的春晚童星:年少秃顶发福,相亲被嫌弃,因病去世留遗憾
棚内人物肖像照
霸气女生头像黑白酷帅露出那冷酷的微笑
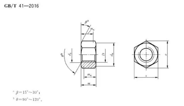
一颗标准的六角螺母是这样绘制出来的
丁塘镇新华幼儿园《手指游戏展示活动》 - 美篇
要塞十字军东征2公布新截图展示激烈城堡战斗
东北烟苑12月9日拍卖公告
【八卦塔罗】赖冠霖和赵今麦现在的关系状态如何?