图知网
搜索
首页
热门推荐
图片分类
磨砂膏 烟酰胺,妥妥的神仙组合! 暗沉,粗糙,鸡皮肤,痘痘 - 抖音
下载原图
相关图片
图书>期刊/杂志>男士>图书其它>磨砂膏250ml磨砂膏烟酰胺身体柔嫩去
自然旋律烟酰胺身体磨砂膏250g
sakose烟酰胺身体磨砂膏250g
烟酰胺身体磨砂膏嫩白全身去鸡皮肤去除疙瘩毛囊角质李佳琦小黄罐_最
官方旗舰米云芙净苹烟酰胺身体磨砂膏全身肤疙瘩小黄罐清洁男女一罐装
澳芙雪烟酰胺身体磨砂膏全身温和保湿滋润深层清洁磨砂膏 50gml
为你推荐
2021年底越剪越帅的3款男生发型参考,剪完让你尽显男神范儿_网易订阅
555时基集成电路ne555的识别与应用图解解决方案华强电子网
简笔画雪花片
丰田陆地巡洋舰lc80
神笔马良英文绘本themagicpaintbrushstory绘本配套ppt源文件
手推车超市手推购物车双层 黑色购物车双层框架结构 黑 购物车结构
老扑克_扑克牌_小朱货郎【7788收藏__收藏热线】
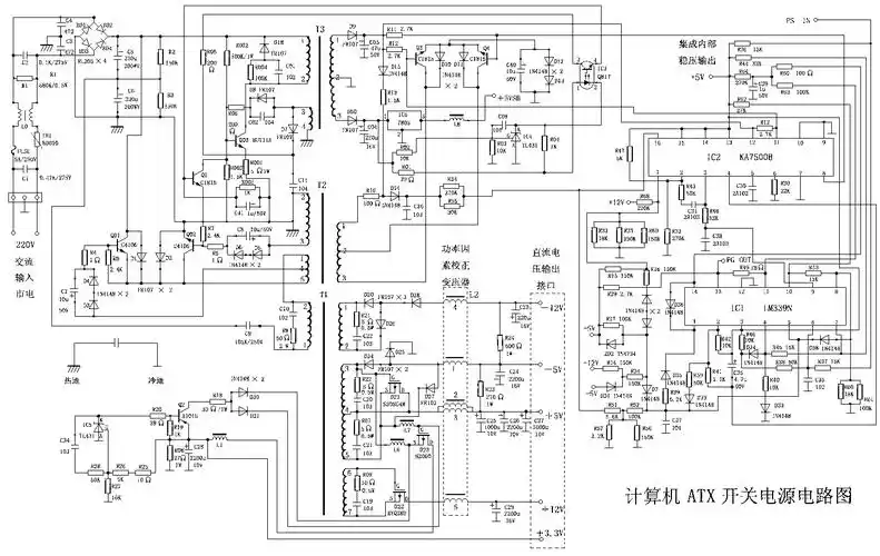
开关电源电路图设计