图知网
搜索
首页
热门推荐
图片分类
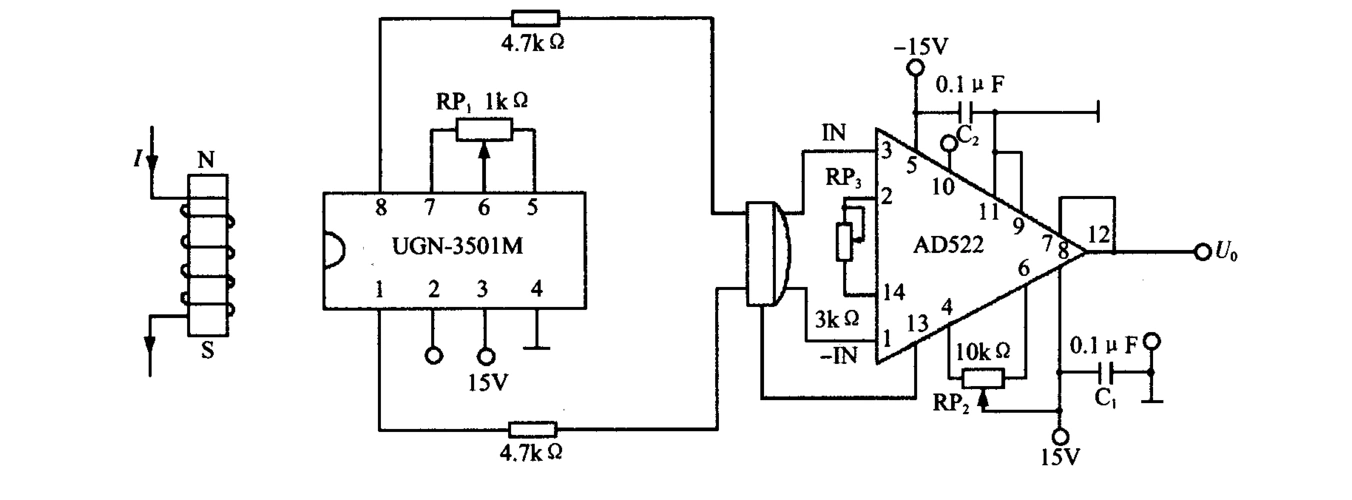
霍尔电流传感器原理图解
下载原图
相关图片
霍尔开关传感器原理图
霍尔传感器测速原理图和程序
霍尔传感器电路图大全(霍尔电流电压传感器原理图)磁平衡式霍尔电电压
磁平衡式霍尔电流传感器原理.jpg
霍尔传感器原理图
利用霍尔传感器芯片设计直流电流检测电路
为你推荐
原创去南极旅游的中国人:最喜欢拍企鹅 多为60后70后
其实现在回过头来看林青霞年轻时的照片,她的仪态真的是一绝,在这块儿
下午好表情包下午好最新动图问候语
解放前,县城及农村人烟稀少,常以一村一姓为主,居住以土窑洞和
nasa拍到月球掠过地球精彩瞬间
岩石,山脉,云雾 1242x2688 iphone 11 pro/xs max 壁纸,图片,背景
小小新娘花
樱木花道x赤木晴子情头第五弹