图知网
搜索
首页
热门推荐
图片分类
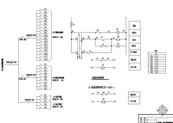
双电源接线图
下载原图
相关图片
双电源供电配电图
双电源自动切换电路的识读方法
双路电源自动投切电路原理
什么是双电源供电双电源供电原理
一种双电源双回路消防风机控制柜电路
双电源供电控制柜原理图
为你推荐
听说你们喜欢看宋轶穿旗袍,她要是生在民国,绝对是一大美女!
共429 件匡威帆低帮女相关商品
中年人简笔画 中年人简笔画图片女人
圈早安问候祝福图片精选免打字的夏日清晨早上好问候祝福图片带字温馨
爆米花(儿童钢琴小弹唱) 歌谱简谱网
深度分析:被打架毁掉的内线,小奥尼尔有着怎样的职业生涯
新疆国际大巴扎于2003年6月26日落成,是世界规模最大的大巴扎,维吾尔
秦霄贤 - 堆糖,美图壁纸兴趣社区