图知网
搜索
首页
热门推荐
图片分类
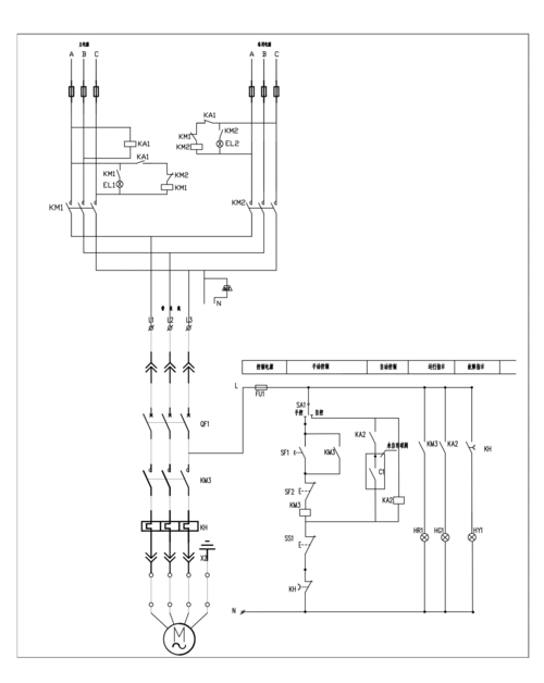
双电源接线图
下载原图
相关图片
双电源自动切换装置主回路接线示意图
220v双电源自动转换开关
双电源控制箱|双电源控制柜|abb双电源切换_接线图分享
交流接触器实现双电源自动转换 - 渴望和谐 - 渴望和谐
双电源自动切换浮球控制污水泵控制回路
双电源切换开关是什么?如何接线?(图文分析)
为你推荐
好吃到吮指的蒜香炸鸡翅,外酥里嫩,学会了不用去肯德基啦
张子枫的腹肌##张子枫飘带抹胸
男性肖像画:埃德蒙·卡夫,安格尔自画像:安格尔|美术作品_北京路易
每日一款面包分享44金砖吐司面包手撕吃
眼镜只是被摘了,绝对不是忘画了.
第五人格tk记
宇宙飞船简笔画 宇宙飞船怎么画
校园冬季防火安全知识.docx 4页