图知网
搜索
首页
热门推荐
图片分类
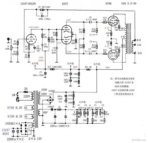
kt88推挽电路图
下载原图
相关图片
大家帮我看看我这个kt88的工作点
kt88.gif
kt88推挽.jpg
请问有谁能提供一份kd88胆机后级功放图纸?
论坛技术讨论专区 69 胆机diy论坛 69 讨论:kt88用什么推挽线路好
[胆机制作] 6n1-6n8p-kt88推挽功放
为你推荐
像素图 sschara
枸杞盆景造型方法(枸杞盆景图片及制作方法)_植物知识网
「新巴796x线」修订间的差异 | 香港巴士大典 | fandom
上海市行政区域划分报告
片_百度百科
王者荣耀苏烈英雄故事第一集
郭龙碧 摄 捕鱼 搏 击 之 美 渔民在养殖网箱里捕鱼 展现了另一种
儿时记忆之动画片-《阿凡提的故事》