图知网
搜索
首页
热门推荐
图片分类
练声曲 2 歌谱 简谱
下载原图
相关图片
7月11日|每天一条简谱视唱(声乐爱好者专用)
合唱团练声曲简谱
练声曲-4 歌谱简谱网
练声曲 (记谱 严国辉) 谱友园地
很多姐妹咨询的练声曲谱例
练声曲 歌谱 简谱
为你推荐
可爱头像,真人版 抖音号:23902590140 抖音号:2 - 抖音
6种男友力爱的抱抱快艾特你男朋友来看
佛说,放下了,便是拥有了.
沉默是金字画
集衫坊we战队队服lol卫衣外套男女装棒球服春夏季新款衣服 酒红 m_ 6
这脚底板被戳一下是这样的表情?
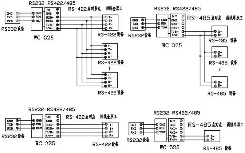
rs422/rs485网络的无极性接线设计_接线图分享
真心的去对待每一个人,到最后却发现,在他们心里我终究是个外人