图知网
搜索
首页
热门推荐
图片分类
小天鹅洗衣机故障e3是什么意思?有什么解决方法
下载原图
相关图片
夏普洗衣机e3故障原因及维修方法
小天鹅波轮洗衣机显示e3代码,不能洗也不能脱,解决方法非常简单
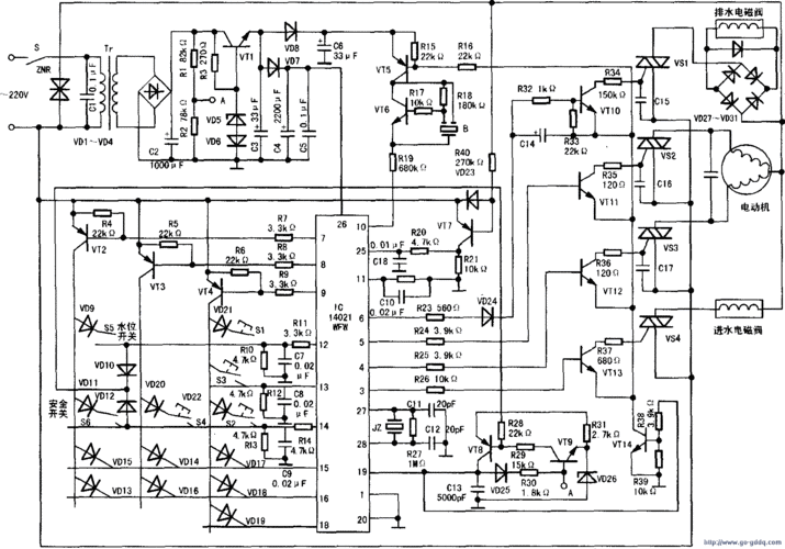
小天鹅全自动洗衣机电原理图
小天鹅水魔方洗衣机e3是什么原因处理方法与步骤
小天鹅变频洗衣机显示e3是什么故障,.不是吧?之前还好好的?
一台小天鹅xqb552588g洗涤排水正常脱水报警显示e3
为你推荐
美好生活在云南巧家大富村千亩杜鹃花盛开斑斓了山野丛林
古风蒙眼动漫头像 每一个都好好看
中国最美十大海滨城市,风景超美,你最想去哪一个?(下)
景色旎丽的乡村田园风光
今天画一个不是卤蛋的俞风城
拾月璟庭|苏州新区(拾月璟庭)楼盘详情|拾月璟庭房价|电话|得房率
fgo现版本全冠位从者有哪些 fgo现版本全冠位从者灵基立绘一览
李白世冠皮肤##王者荣耀李白世冠皮肤