图知网
搜索
首页
热门推荐
图片分类
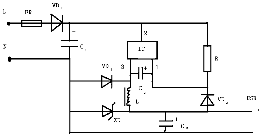
用7660芯片把 5v的电压转换为-5v的,第七个引脚接了一个osc电容,应该
下载原图
相关图片
lm2575内部框图和管脚配置
lm386mx-1音频放大器中文资料规格书产品文档pdf数据手册产品手册引脚
lm386mx-1音频放大器中文资料规格书产品文档pdf数据手册产品手册引脚
lm386mx-1音频放大器中文资料规格书产品文档pdf数据手册产品手册引脚
ncv4274adt33rkg中文资料规格书pdf数据手册引脚图图片价格参数特性
动手diy一个非常小巧的5v电源
为你推荐
恭喜张小斐主演电影票房破100亿成首个85后票房破百亿女演员
壁纸,动漫,女孩
千纸鹤折过很多都没留下,这次改变方式吧!用笔画下来,这次没问题了!
凹叶景天又称石板菜 40苗用于种植
平行进口三菱帕杰罗v93 3.0l配置详情
废气阀的问题?
sans和frisk
可爱的小猪.