Warning: session_start(): open(/tmp/sess_5u1ti36icj1mumkcal0tmpnnur, O_RDWR) failed: No space left on device (28) in /www/wwwroot/www.tuzhiw.com/config.php on line 13

Warning: session_start(): Failed to read session data: files (path: ) in /www/wwwroot/www.tuzhiw.com/config.php on line 13
华晨宇/歌名字体设计 - 图知网

华晨宇/歌名字体设计

相关图片

为你推荐

国产早期型号歼8战斗机图赏

第五人格:约瑟夫身着女仆装,入殓师知难而上,约瑟夫反抗无效

别墅庭院门有哪些安装方式

分类:三荣企业集团-400*800负离子中板通体大理石-佛罗伦萨深灰p4019

柜超市便利店收银台烟酒柜组合店铺烟酒柜收银台多功能烟酒柜台吧台

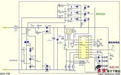
电风扇马达线圈电路风扇电机线圈上的黑线零线

客厅吊顶装修注意事项从细节打造完美家居

益阳槟榔大王郭志光穷时身上只有25块钱如今年产值几十亿


Warning: file_put_contents(/www/wwwroot/www.tuzhiw.com/cache/image/75fdc67ffcda17540f28b7a703fbbf04.html): Failed to open stream: No space left on device in /www/wwwroot/www.tuzhiw.com/config.php on line 196