图知网
搜索
首页
热门推荐
图片分类
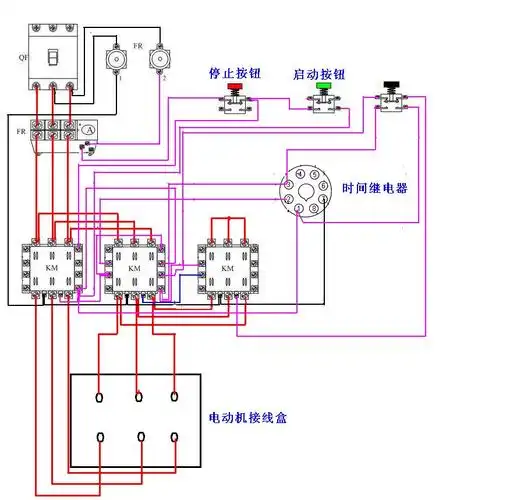
星三角降压启动线路图
下载原图
相关图片
星三角启动主线路这样接线对不对
星三角接线
星三角降压启动电路接线 星三角降压启动电路接线
三个接触器的星三角很常见,两个接触器的见过吗?看完涨知识
我上传一张星三角降压启动实物电气接线图(带时间继电器tr)
电工星三角降压启动接线你学会了吗
为你推荐
边伯贤.自截图,伯贤真的很惊艳,好久没有扩伯贤的照片啦,今天 - 抖音
大型舞台实景灯光秀
火影忍者中十尾都有哪些形态
qq群头像沙雕可爱搞笑特别有趣的个性qq群头像
刘宇宁 #这该死的魅力 老大最近的造型非常可(图图来自超话 - 抖音
水性环保胶图片大全
新款指甲款式图片2021(21年潮流美甲推荐)
来满洲里,探访中国最奇异的城市