图知网
搜索
首页
热门推荐
图片分类
超全消防工程图形 文字符号!助你快速读图!
下载原图
相关图片
消防火灾报警系统图例
消防图形符号
防火门图例
消防工程各图形符号
消防设施图形符号及工程图例消防箱图例
消防设施图形符号与工程图例-消防箱图例.pdf 4页
为你推荐
一线歌手华晨宇的感情生活,一直让人摸不着头脑,绯闻总是不断.
狼奔发型男生短发款款潮范十足
讲述了刚刚从学校毕业的德克斯特(吉姆·斯特吉斯饰)和艾玛(安妮
电视剧《择天记》人物剧照桌面壁纸
蜡笔小新的侧脸没有夸张
火影:被吃过豆腐的女忍,羡慕年轻时的木叶丸!|纲手|木叶|豆腐_新浪网
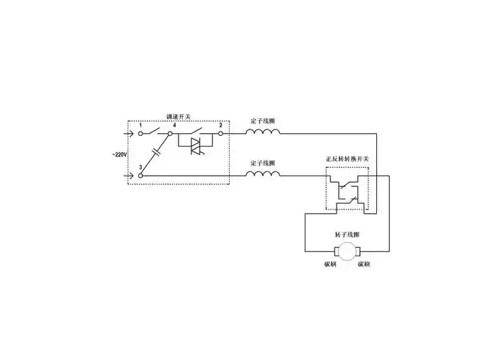
原手电钻改调速调向电钻如何接线?
实用英文邮件回复分享