图知网
搜索
首页
热门推荐
图片分类
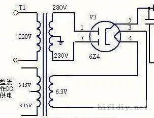
旁热式整流高压整流电路--电路图-技术资料-华强电子网
下载原图
相关图片
6z4整流管的应用
整流电子管6z4外形,管脚识别,参数,基本电路详解
69 ∷技术区∷ 69 〓电子管技术区〓 69 存档3 69 双6z4 整流
求6z4整流图
diy了一台6n3推6p1,6z4双管并联单端 - 〓电子管技术区〓 - 矿石收音
胆前级 之 6z4电子管胆整流稳压电路的设计和制作
为你推荐
注册
盘点属龙的十大女艺人谁是你心目中最美的小仙女
小仓鼠双手托脸惊恐-发表情
分类信息_征婚_未婚_电话
王者荣耀男英雄,王者荣耀最帅五个男英雄
2012年英菲尼迪qx56高清写真集
小欢喜-小欢喜同名主题曲双手简谱预览3
武汉地铁13号线示意图