图知网
搜索
首页
热门推荐
图片分类
最新北京地铁线路图已在部分列车"上新"_剩余_三条_北太平庄
下载原图
相关图片
北京地铁机场线线路图与时刻表
北京地铁机场线线路图_运营时间票价站点_查询下载
(北京)10月18号早上5:00要到首都机场,除了打车还能做什么车?便宜点
达人问政北京地铁首都机场线延伸至北新桥站后25元单一票价制还将继续
北京地铁大兴国际机场线线路图_运营时间票价站点_查询下载
北京首都机场线东直门站通道可换乘3条地铁线
为你推荐
非主流个性伤感带字头像
景甜身高167?别闹了!先看看这几张照片吧!
范丞丞|all black 酷丞丞变身真的"范橙橙"
既实用又美观的剑法——行剑7(8式)
【跑狗解析】
水平仪不发光了打开一看厂家为什么用这么细的铜丝连接
少女内衣文胸发育期女生学生运动女大童二三阶段初中高中生青春期
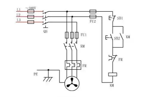
自锁控制电路图