图知网
搜索
首页
热门推荐
图片分类
ad7416组成的恒温控制器电路图
下载原图
相关图片
无触点恒温器控制电路图
奶液恒温控制器电路
cn213216505u_一种电热杯用控制电路有效
温度调节仪烘房温控电路之三
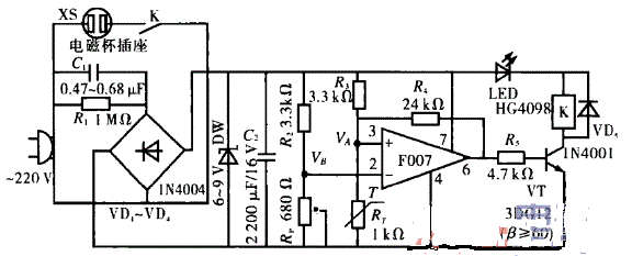
的恒温精度比较困难,本调温电路采用高灵敏度,线性好的ptc热敏电阻器
恒温箱控制器电路
为你推荐
音乐专辑封面,原创作品,海报设计,鑫鑫 - 虎课网
网红超酷女头像动漫(24张)
国服玄策vs国服娜可露露 可杰高分段巅峰回放
风衣腰带系法再也不愁怎么绑了
一儿一女挤一间房,窗帘分隔渐渐被遗弃,这些隔断更吃香
幼儿园小宝宝简笔画卧
中国地形图
圈内人曝大瓜!他的连环恋情居然都是真的