图知网
搜索
首页
热门推荐
图片分类
新手篇轻松看懂汽车电路图上
下载原图
相关图片
文档下载 所有分类 工程科技 电子/电路 > 汽车发电机接线原理图第1页
广州本田奥德赛汽车电路图
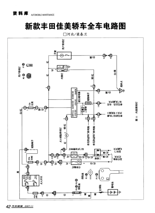
> 新款丰田佳美轿车全车电路图第1页 相关主题 你可能喜欢 汽车电动
爱丽舍轿车发动机电控系统电路原理图
汽车启动电路的接线是怎样的?
全车电路图 控制电路 电路检修 电路接线图 福田欧曼 汽车电路图的识
为你推荐
刘德华多少人曾羡慕你年轻时的容颜赌神男神
超级隐蔽的情侣头像一人一个求两张qq情侣头像一人一个就是一看就知
《再见》#邓紫棋#音乐
情侣头像
钟汉良为什么娶谢易桦小太阳隐婚背后的隐情
滚,
梦回还钢琴简谱-数字双手-呦猫uneko1
可爱小猪壁纸