图知网
搜索
首页
热门推荐
图片分类
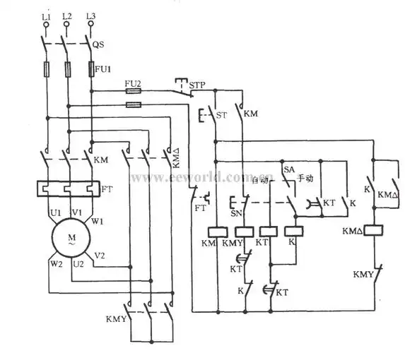
y-△降压启动控制电路分析 y-△降压启动是异步电动机的一种降压启动
下载原图
相关图片
y-△降压启动控制线路图ppt
带你快速理解星三角y/△接法,通俗易懂,降压启动有图有真相_网易订阅
安装注意事项 1,y-△降压启动电路,只适用于△形接线,380v的鼠笼
手动自动y-△降压启动电路
带你快速理解星三角y/△接法,通俗易懂,降压启动有图有真相_网易订阅
电动机y-△降压启动电路
为你推荐
礼包已送到【获取方式】在微信"表情包"中搜索关键词"浙大人的小老虎"
2017电影之夜 低调组合《平凡之路》
森林里的小木屋
致敬儒商首届博鳌儒商标杆人物发布
头条文章
红眼特效光效眼神光发动图gif
【windows1.0:宣告dos操作系统的终结】
打伞女孩背影唯美头像雨伞女生头像可爱真人