图知网
搜索
首页
热门推荐
图片分类
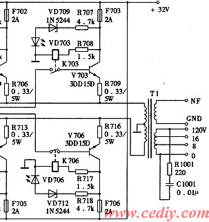
275w扩音机.gif
下载原图
相关图片
展开全部 自制扩音器电路图(原理图)
电路实验报告10 扩音机电路的综合测试
扩音机电路设计
简单扩音器电路图
音色纯真的电子管扩音机电路原理图
制作优质扩音机的原理及电路
为你推荐
王心凌登《时尚芭莎》玩下身失踪,亮片吊带连衣裙性感火辣
图勇者无敌电视剧高收官大结局黄曼周奇奇为您解读剧中疑点
当归片原形态图片_当归片原形态大全/细节图 - 搜好货网海量高清精选
追剧零食巧克力饼干棒
《新弹丸论破v3》中文版发售日期公布 预购还送车模
【语文】在线收听_张楚铭的播客_荔枝
孩子自己种的水仙花成长记录 - 抖音
杭五幼朵朵三班假期"8个1"系列活动一 ——制定一张暑假日程表