图知网
搜索
首页
热门推荐
图片分类
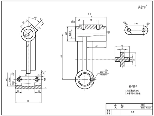
机械制造技术基础课程设计之转速器盘二维零件图
下载原图
相关图片
机械制图之零件图表达
(共17页,当前第5页) 你可能喜欢 旋转练习题 机械零件图 ug练习图纸
拨叉零件机械加工工艺分析与夹具设计.
机械制图-零件图习题
"ca6140车床"拨叉零件的机械加工工艺规程及工艺装备(有cad源图)
请机械制图高手帮忙根据这个装配图画出零件图.
为你推荐
蔡徐坤和四字女星同期录制节目,节目还没开播两人就被对家下套?
熊猫头看戏表情包18
remax睿量超薄真无线立体声耳机rbt20protws视频
美少女战士里小兔和地场卫是穿越多年的爱恋
永远不要高估自己在别人心里的位置.
张纪中私生子是谁 樊馨蔓曝张纪中私生子资料背景照片 聚焦
解放海南岛,登陆名单上全是副职,开国上将大怒:我亲自上阵
六层楼房 倾斜10度沉降50厘米