图知网
搜索
首页
热门推荐
图片分类
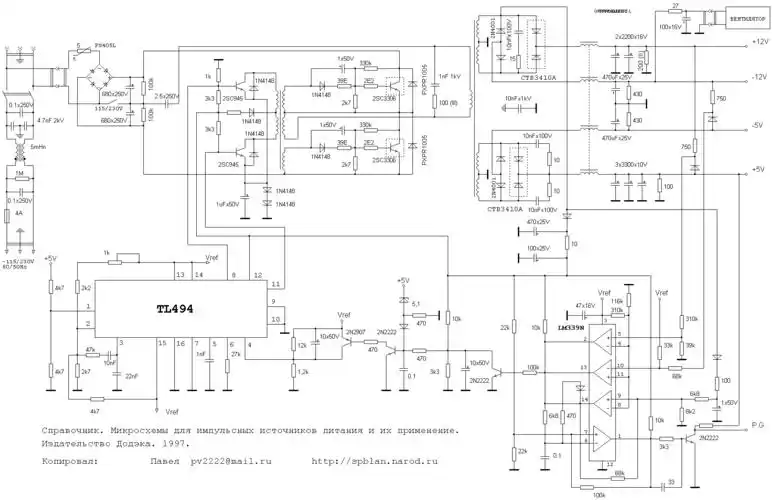
海尔kb-5150兆驰电源板电路原理图
下载原图
相关图片
电脑电源电路图
彩电开关电源电路图
电收集的几种脑电源电路
电源电路
12v,15v稳压电源设计图
计算机开关电源原理图电路分析
为你推荐
那勉强的笑容背后又透露出多少不为人知的心酸致敬星爷达叔
电加热凉粉机宏盛薯类凉粉机红薯凉粉机老牌厂家
小糯米正面照火了!杨幂是北京妞,刘恺威是香港人,女儿却像混血
电视剧《流星花园》演员表
水泥灰背景,水泥灰背景
sivanna思薇娜黑管雾面哑光口红
发表了博文《国务院批准宁波市行政区划调整... 来自光明人家_65x -
新华广场廊坊新华广场