图知网
搜索
首页
热门推荐
图片分类
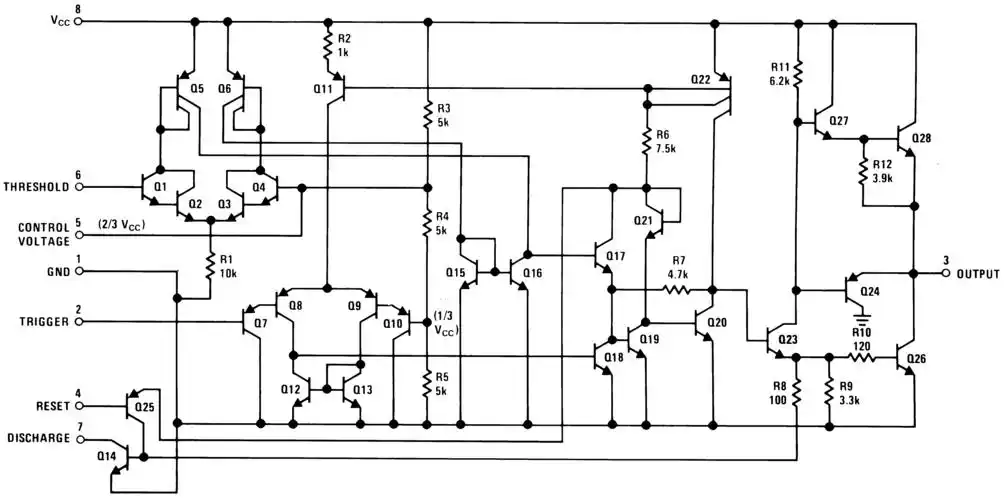
hansrcamenzind发明555定时器的故事
下载原图
相关图片
一个555振荡电路及其解释
【lm555cn pdf数据手册】_中文资料_引脚图及功能
基于lm555简单的pwm控制电路
首页 pdf资料 lm555 pdf文件及第11页内容在线浏览1
lm555 timer (rev. d)
用lm555制作的两款简单实用的升压电路|三极管|二极管
为你推荐
我把舞台给你 - 热门表情包精选-2017/11/12_斗图表情
不要用湿手或者带有金属质地的手套接触充电器和电动车充电口1,电池
带音乐符号的头像图片_微信头像图片大全
公司要求用现金支出时我们要写一张现金支出证明单
总裁也有羞涩时 《爸爸3》康康自曝已有"意中人"
成人儿童演出服装军装专用布鞋红军新四军八路军鞋子黑色舞布鞋
18k金圈原装依波表_手表/腕表_第1张_7788钟表收藏
出镜薇恩cn:七奈锐雯cn:鳗鱼霏儿虚像馆如果你喜欢游戏,动漫文化,猫