图知网
搜索
首页
热门推荐
图片分类
北京酒店推荐|安贞亚朵s酒店体验
下载原图
相关图片
1.亚朵s酒店, - 抖音
亚朵s酒店正式开业,天府总部商务区新增一张璀璨的商业名片.
亚朵s酒店图片-北京豪华型-大众点评网
武汉市中南亚朵s酒店
北京金融街亚朵s吴酒店详情-pc酒店预订-中国南方航空官网
北京东直门亚朵s,集团首住报告-酒店report-飞客茶馆旅行网
为你推荐
《泰迪熊》泰迪第一次上学,引发一系列爆笑事件
抖音千万宠粉夜懂车侦探首次直播没想到他是这样的直男
秦国最怕赵括将军,什么?听说秦王梦到赵括将军吓尿
tvb视帝陈豪出演新剧《四十二章经》,网友盼他有突破_剧集_龚嘉欣
2022年人教版数学五年级下册期末测试卷pdf4页
银元袁大头元年值多少钱最值钱的图片
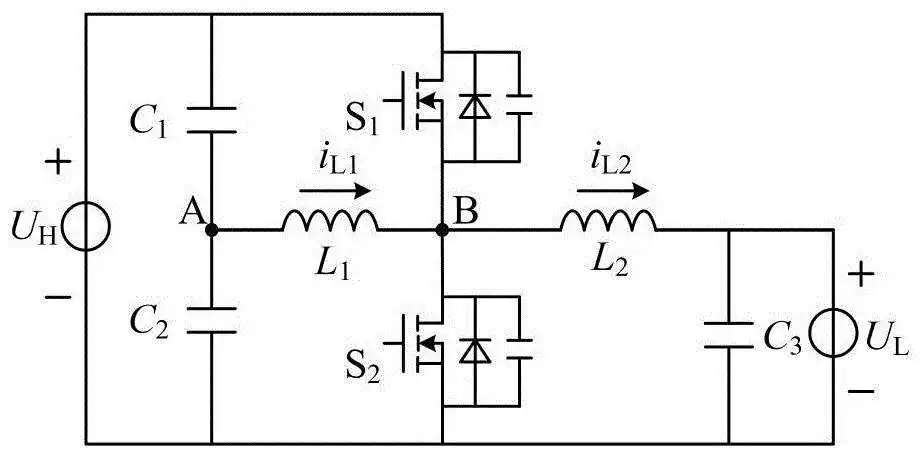
一种零电压软开关双向buck/boost变换器
铝合金别墅庭院双开大门铝艺院子门头铁艺大门围墙不锈钢电动门楼