图知网
搜索
首页
热门推荐
图片分类
颈椎mri
下载原图
相关图片
颈椎mri
颈椎核磁共振报颈5/6椎间盘突出
沉默在岁月中的颈椎病
看看颈椎磁共振患者有手麻需要手术治疗吗
颈椎核磁共振
磁共振提示颈椎多个间盘退变突出,颈4/5和6/7较严重.
为你推荐
毛晓彤央视元宵晚会造型 穿粉色露背高开叉裙优雅高贵 风情妩媚
鬼刀
eps 10100性感的女人剪影.
我是你的格桑花钢琴谱-王琪2
以色列走上美国的道!世界火药桶被点燃,中国有可能被"误伤"?
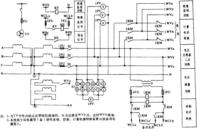
10千伏电压互感器接线原理图(三) jd2-585
西瓜视频发布时间:2021-06-04原华:从都市女性代言人到魅惑"女间谍"
小学的数学题目太烧脑,有知道答案的吗?