图知网
搜索
首页
热门推荐
图片分类
我国第一条大长度油纸绝缘海底电缆(07-12-20)
下载原图
相关图片
什么是油浸纸绝缘电缆?
换流变压器油纸绝缘局部放电及电荷分布特性研究综述
07-6 10(6)kv油纸绝缘电缆接头制作质量管理
10(6)kv油纸绝缘电缆户内型终端头制作质量管理
油纸绝缘套管作为目前电力系统应用最广泛的套管类型,因在运行时无法
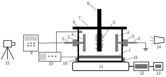
一种多物理场下油纸绝缘气泡生成模拟实验的装置与方法
为你推荐
【4k超清·旗袍好美】邓丽君-あなたと生きる(1977.8.13)
东鹏特饮
老祭红釉花瓶
洛阳牡丹肉燕加盟
育英学校开展"绘名思义,感恩有您"名字创意联想绘画活动
11月06日是什么星座 阴历11月06号是什么星座
黑色小人合作愉快
需防小人陷害的八字