图知网
搜索
首页
热门推荐
图片分类
工人们正在浇筑混凝土.
下载原图
相关图片
混凝土浇筑工怎么考有什么作用报考政策条件要求
工人在进行混凝土地面施工.
本次比赛分混凝土浇筑,临水临电安装两个类别,来自云南省28个重点工程
佛山禅城区工地招杂工,混凝土工
混凝土工正在工作
路区三工区秦岭大街闸门井底板混凝土浇筑,工人8人,机械1台
为你推荐
白敬亭 - 堆糖,美图壁纸兴趣社区
2020最火抖音手绘可爱女生萌头像
其它 炫彩童年系列绘画比赛获奖作品展 写美篇三年级二等奖 三年级三
幸运草头像
育婴师,辅食早教不错91.年龄:45岁 籍贯:广东电白 身高 - 抖音
明天休息啦
粉字生辉书写赞歌献礼建党百年华诞华侨城小学举行教师粉笔字现场书写
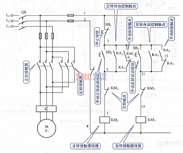
最实用基本图解电路40-电动机正反转控制电路