图知网
搜索
首页
热门推荐
图片分类
tny265pn电路图
下载原图
相关图片
tny279pn 型号:tny279pn 厂家:power 批号:1513 封装:dip-买卖ic网
引脚兼容型号: tiy276,tiny176,tny286,pn8715.
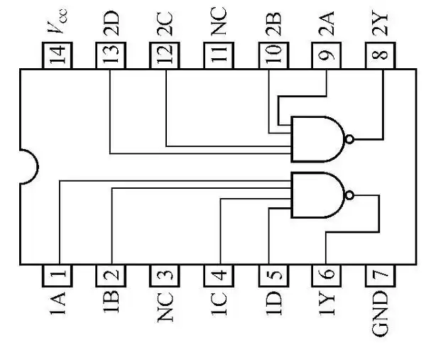
1.74ls10引脚图及功能
tny279pn引脚功能
max232引脚说明
工程科技 电子/电路 tny255p构成的5v,2a pc待机电源电路 tny255引脚
为你推荐
阿玛尼唇釉400我也可以
女星李沁写真集:如画美人,天之骄女
机械表配件_手表/腕表_第1张
真人可爱小清新女生头像图片
泰迦奥特曼
日lemon电视剧非自然死亡主题曲ドラマアンナチュラル主题歌
哎 酒店不行 睡不着 隔壁老王在打呼 怎么破?
天线宝宝头像